Cannabis
Temporal range: Early Miocene – Present
Common hemp
Scientific classification Edit this classification
Kingdom: Plantae
Clade: Tracheophytes
Clade: Angiosperms
Clade: Eudicots
Clade: Rosids
Order: Rosales
Family: Cannabaceae
Genus: Cannabis
L.
Species[1]

Cannabis (/ˈkænəbɪs/)[2] is a genus of flowering plants in the family Cannabaceae. The number of species within the genus is disputed. Three species may be recognized: Cannabis sativa, C. indica, and C. ruderalis. Alternatively, C. ruderalis may be included within C. sativa, all three may be treated as subspecies of C. sativa,[1][3][4][5] or C. sativa may be accepted as a single undivided species.[6] The genus is widely accepted as being indigenous to and originating from Asia.[7][8][9]

The plant is also known as hemp, although this term is often used to refer only to varieties of Cannabis cultivated for non-drug use. Cannabis has long been used for hemp fibre, hemp seeds and their oils, hemp leaves for use as vegetables and as juice, medicinal purposes, and as a recreational drug. Industrial hemp products are made from cannabis plants selected to produce an abundance of fibre. Various cannabis strains have been bred, often selectively to produce high or low levels of tetrahydrocannabinol (THC), a cannabinoid and the plant's principal psychoactive constituent. Compounds such as hashish and hash oil are extracted from the plant.[10]

Description

Cannabis growing as weeds at the foot of Dhaulagiri, Nepal
A thicket of wild cannabis in Islamabad, Pakistan

Cannabis is an annual, dioecious, flowering herb. The leaves are palmately compound or digitate, with serrate leaflets.[11] The first pair of leaves usually have a single leaflet, the number gradually increasing up to a maximum of about thirteen leaflets per leaf (usually seven or nine), depending on variety and growing conditions. At the top of a flowering plant, this number again diminishes to a single leaflet per leaf. The lower leaf pairs usually occur in an opposite leaf arrangement and the upper leaf pairs in an alternate arrangement on the main stem of a mature plant.

The leaves have a peculiar and diagnostic venation pattern (which varies slightly among varieties) that allows for easy identification of cannabis leaves from unrelated species with similar leaves. As is common in serrated leaves, each serration has a central vein extending to its tip, but in cannabis this originates from lower down the central vein of the leaflet, typically opposite to the position of the second notch down. This means that on its way from the midrib of the leaflet to the point of the serration, the vein serving the tip of the serration passes close by the intervening notch. Sometimes the vein will pass tangentially to the notch, but often will pass by at a small distance; when the latter happens a spur vein (or occasionally two) branches off and joins the leaf margin at the deepest point of the notch. Tiny samples of Cannabis also can be identified with precision by microscopic examination of leaf cells and similar features, requiring special equipment and expertise.[12]

Reproduction

All known strains of Cannabis are wind-pollinated[13] and the fruit is an achene.[14] Most strains of Cannabis are short day plants,[13] with the possible exception of C. sativa subsp. sativa var. spontanea (= C. ruderalis), which is commonly described as "auto-flowering" and may be day-neutral.

Cannabis is predominantly dioecious,[13][15] having imperfect flowers, with staminate "male" and pistillate "female" flowers occurring on separate plants.[16] "At a very early period the Chinese recognized the Cannabis plant as dioecious",[17] and the (c. 3rd century BCE) Erya dictionary defined xi "male Cannabis" and fu (or ju ) "female Cannabis".[18] Male flowers are normally borne on loose panicles, and female flowers are borne on racemes.[19]

Many monoecious varieties have also been described,[20] in which individual plants bear both male and female flowers.[21] (Although monoecious plants are often referred to as "hermaphrodites", true hermaphrodites – which are less common in Cannabis – bear staminate and pistillate structures together on individual flowers, whereas monoecious plants bear male and female flowers at different locations on the same plant.) Subdioecy (the occurrence of monoecious individuals and dioecious individuals within the same population) is widespread.[22][23][24] Many populations have been described as sexually labile.[25][26][27]

As a result of intensive selection in cultivation, Cannabis exhibits many sexual phenotypes that can be described in terms of the ratio of female to male flowers occurring in the individual, or typical in the cultivar.[28] Dioecious varieties are preferred for drug production, where the fruits (produced by female flowers) are used. Dioecious varieties are also preferred for textile fiber production, whereas monoecious varieties are preferred for pulp and paper production. It has been suggested that the presence of monoecy can be used to differentiate licit crops of monoecious hemp from illicit drug crops,[22] but sativa strains often produce monoecious individuals, which is possibly as a result of inbreeding.

Cannabis female flower with visible trichomes
Male Cannabis flower buds

Sex determination

Cannabis has been described as having one of the most complicated mechanisms of sex determination among the dioecious plants.[28] Many models have been proposed to explain sex determination in Cannabis.

Based on studies of sex reversal in hemp, it was first reported by K. Hirata in 1924 that an XY sex-determination system is present.[26] At the time, the XY system was the only known system of sex determination. The X:A system was first described in Drosophila spp in 1925.[29] Soon thereafter, Schaffner disputed Hirata's interpretation,[30] and published results from his own studies of sex reversal in hemp, concluding that an X:A system was in use and that furthermore sex was strongly influenced by environmental conditions.[27]

Since then, many different types of sex determination systems have been discovered, particularly in plants.[15] Dioecy is relatively uncommon in the plant kingdom, and a very low percentage of dioecious plant species have been determined to use the XY system. In most cases where the XY system is found it is believed to have evolved recently and independently.[31]

Since the 1920s, a number of sex determination models have been proposed for Cannabis. Ainsworth describes sex determination in the genus as using "an X/autosome dosage type".[15]

The question of whether heteromorphic sex chromosomes are indeed present is most conveniently answered if such chromosomes were clearly visible in a karyotype. Cannabis was one of the first plant species to be karyotyped; however, this was in a period when karyotype preparation was primitive by modern standards. Heteromorphic sex chromosomes were reported to occur in staminate individuals of dioecious "Kentucky" hemp, but were not found in pistillate individuals of the same variety. Dioecious "Kentucky" hemp was assumed to use an XY mechanism. Heterosomes were not observed in analyzed individuals of monoecious "Kentucky" hemp, nor in an unidentified German cultivar. These varieties were assumed to have sex chromosome composition XX.[32] According to other researchers, no modern karyotype of Cannabis had been published as of 1996.[33] Proponents of the XY system state that Y chromosome is slightly larger than the X, but difficult to differentiate cytologically.[34]

More recently, Sakamoto and various co-authors[35][36] have used random amplification of polymorphic DNA (RAPD) to isolate several genetic marker sequences that they name Male-Associated DNA in Cannabis (MADC), and which they interpret as indirect evidence of a male chromosome. Several other research groups have reported identification of male-associated markers using RAPD and amplified fragment length polymorphism.[37][25][38] Ainsworth commented on these findings, stating,

It is not surprising that male-associated markers are relatively abundant. In dioecious plants where sex chromosomes have not been identified, markers for maleness indicate either the presence of sex chromosomes which have not been distinguished by cytological methods or that the marker is tightly linked to a gene involved in sex determination.[15]

Environmental sex determination is known to occur in a variety of species.[39] Many researchers have suggested that sex in Cannabis is determined or strongly influenced by environmental factors.[27] Ainsworth reviews that treatment with auxin and ethylene have feminizing effects, and that treatment with cytokinins and gibberellins have masculinizing effects.[15] It has been reported that sex can be reversed in Cannabis using chemical treatment.[40] A polymerase chain reaction-based method for the detection of female-associated DNA polymorphisms by genotyping has been developed.[41]

Chemistry

Cannabis plants produce a large number of chemicals as part of their defense against herbivory. One group of these is called cannabinoids, which induce mental and physical effects when consumed.

Cannabinoids, terpenoids, and other compounds are secreted by glandular trichomes that occur most abundantly on the floral calyxes and bracts of female plants.[42]

Genetics

Cannabis, like many organisms, is diploid, having a chromosome complement of 2n=20, although polyploid individuals have been artificially produced.[43] The first genome sequence of Cannabis, which is estimated to be 820 Mb in size, was published in 2011 by a team of Canadian scientists.[44]

Taxonomy

Underside of Cannabis sativa leaf, showing diagnostic venation

The genus Cannabis was formerly placed in the nettle family (Urticaceae) or mulberry family (Moraceae), and later, along with the genus Humulus (hops), in a separate family, the hemp family (Cannabaceae sensu stricto).[45] Recent phylogenetic studies based on cpDNA restriction site analysis and gene sequencing strongly suggest that the Cannabaceae sensu stricto arose from within the former family Celtidaceae, and that the two families should be merged to form a single monophyletic family, the Cannabaceae sensu lato.[46][47]

Various types of Cannabis have been described, and variously classified as species, subspecies, or varieties:[48]

  • plants cultivated for fiber and seed production, described as low-intoxicant, non-drug, or fiber types.
  • plants cultivated for drug production, described as high-intoxicant or drug types.
  • escaped, hybridised, or wild forms of either of the above types.

Cannabis plants produce a unique family of terpeno-phenolic compounds called cannabinoids, some of which produce the "high" which may be experienced from consuming marijuana. There are 483 identifiable chemical constituents known to exist in the cannabis plant,[49] and at least 85 different cannabinoids have been isolated from the plant.[50] The two cannabinoids usually produced in greatest abundance are cannabidiol (CBD) and/or Δ9-tetrahydrocannabinol (THC), but only THC is psychoactive.[51] Since the early 1970s, Cannabis plants have been categorized by their chemical phenotype or "chemotype", based on the overall amount of THC produced, and on the ratio of THC to CBD.[52] Although overall cannabinoid production is influenced by environmental factors, the THC/CBD ratio is genetically determined and remains fixed throughout the life of a plant.[37] Non-drug plants produce relatively low levels of THC and high levels of CBD, while drug plants produce high levels of THC and low levels of CBD. When plants of these two chemotypes cross-pollinate, the plants in the first filial (F1) generation have an intermediate chemotype and produce intermediate amounts of CBD and THC. Female plants of this chemotype may produce enough THC to be utilized for drug production.[52][53]

Top of Cannabis plant in vegetative growth stage

Whether the drug and non-drug, cultivated and wild types of Cannabis constitute a single, highly variable species, or the genus is polytypic with more than one species, has been a subject of debate for well over two centuries. This is a contentious issue because there is no universally accepted definition of a species.[54] One widely applied criterion for species recognition is that species are "groups of actually or potentially interbreeding natural populations which are reproductively isolated from other such groups."[55] Populations that are physiologically capable of interbreeding, but morphologically or genetically divergent and isolated by geography or ecology, are sometimes considered to be separate species.[55] Physiological barriers to reproduction are not known to occur within Cannabis, and plants from widely divergent sources are interfertile.[43] However, physical barriers to gene exchange (such as the Himalayan mountain range) might have enabled Cannabis gene pools to diverge before the onset of human intervention, resulting in speciation.[56] It remains controversial whether sufficient morphological and genetic divergence occurs within the genus as a result of geographical or ecological isolation to justify recognition of more than one species.[57][58][59]

Early classifications

Relative size of varieties of Cannabis

The genus Cannabis was first classified using the "modern" system of taxonomic nomenclature by Carl Linnaeus in 1753, who devised the system still in use for the naming of species.[60] He considered the genus to be monotypic, having just a single species that he named Cannabis sativa L. (L. stands for Linnaeus, and indicates the authority who first named the species). Linnaeus was familiar with European hemp, which was widely cultivated at the time. In 1785, noted evolutionary biologist Jean-Baptiste de Lamarck published a description of a second species of Cannabis, which he named Cannabis indica Lam.[61] Lamarck based his description of the newly named species on plant specimens collected in India. He described C. indica as having poorer fiber quality than C. sativa, but greater utility as an inebriant. Additional Cannabis species were proposed in the 19th century, including strains from China and Vietnam (Indo-China) assigned the names Cannabis chinensis Delile, and Cannabis gigantea Delile ex Vilmorin.[62] However, many taxonomists found these putative species difficult to distinguish. In the early 20th century, the single-species concept was still widely accepted, except in the Soviet Union where Cannabis continued to be the subject of active taxonomic study. The name Cannabis indica was listed in various Pharmacopoeias, and was widely used to designate Cannabis suitable for the manufacture of medicinal preparations.[63]

20th century

In 1924, Russian botanist D.E. Janichevsky concluded that ruderal Cannabis in central Russia is either a variety of C. sativa or a separate species, and proposed C. sativa L. var. ruderalis Janisch, and Cannabis ruderalis Janisch, as alternative names.[48] In 1929, renowned plant explorer Nikolai Vavilov assigned wild or feral populations of Cannabis in Afghanistan to C. indica Lam. var. kafiristanica Vav., and ruderal populations in Europe to C. sativa L. var. spontanea Vav.[53][62] In 1940, Russian botanists Serebriakova and Sizov proposed a complex classification in which they also recognized C. sativa and C. indica as separate species. Within C. sativa they recognized two subspecies: C. sativa L. subsp. culta Serebr. (consisting of cultivated plants), and C. sativa L. subsp. spontanea (Vav.) Serebr. (consisting of wild or feral plants). Serebriakova and Sizov split the two C. sativa subspecies into 13 varieties, including four distinct groups within subspecies culta. However, they did not divide C. indica into subspecies or varieties.[48][64]

In the 1970s, the taxonomic classification of Cannabis took on added significance in North America. Laws prohibiting Cannabis in the United States and Canada specifically named products of C. sativa as prohibited materials. Enterprising attorneys for the defense in a few drug busts argued that the seized Cannabis material may not have been C. sativa, and was therefore not prohibited by law. Attorneys on both sides recruited botanists to provide expert testimony. Among those testifying for the prosecution was Dr. Ernest Small, while Dr. Richard E. Schultes and others testified for the defense. The botanists engaged in heated debate (outside of court), and both camps impugned the other's integrity.[57][58] The defense attorneys were not often successful in winning their case, because the intent of the law was clear.[65]

In 1976, Canadian botanist Ernest Small[66] and American taxonomist Arthur Cronquist published a taxonomic revision that recognizes a single species of Cannabis with two subspecies and two varieties in each. The framework is thus:

  • C. sativa L. subsp. sativa, presumably selected for traits that enhance fiber or seed production.
    • C. sativa L. subsp. sativa var. sativa, domesticated variety.
    • C. sativa L. subsp. sativa var. spontanea Vav., wild or escaped variety.
  • C. sativa L. subsp. indica (Lam.) Small & Cronq.,[62] primarily selected for drug production.
    • C. sativa L. subsp. indica var. indica, domesticated variety.
    • C. sativa subsp. indica var. kafiristanica (Vav.) Small & Cronq, wild or escaped variety.

This classification was based on several factors including interfertility, chromosome uniformity, chemotype, and numerical analysis of phenotypic characters.[52][62][67]

Professors William Emboden, Loran Anderson, and Harvard botanist Richard E. Schultes and coworkers also conducted taxonomic studies of Cannabis in the 1970s, and concluded that stable morphological differences exist that support recognition of at least three species, C. sativa, C. indica, and C. ruderalis.[68][69][70][71] For Schultes, this was a reversal of his previous interpretation that Cannabis is monotypic, with only a single species.[72] According to Schultes' and Anderson's descriptions, C. sativa is tall and laxly branched with relatively narrow leaflets, C. indica is shorter, conical in shape, and has relatively wide leaflets, and C. ruderalis is short, branchless, and grows wild in Central Asia. This taxonomic interpretation was embraced by Cannabis aficionados who commonly distinguish narrow-leafed "sativa" strains from wide-leafed "indica" strains.[73] McPartland's review finds the Schultes taxonomy inconsistent with prior work (protologs) and partly responsible for the popular usage.[74]

Continuing research

Molecular analytical techniques developed in the late 20th century are being applied to questions of taxonomic classification. This has resulted in many reclassifications based on evolutionary systematics. Several studies of random amplified polymorphic DNA (RAPD) and other types of genetic markers have been conducted on drug and fiber strains of Cannabis, primarily for plant breeding and forensic purposes.[75][76][25][77][78] Dutch Cannabis researcher E.P.M. de Meijer and coworkers described some of their RAPD studies as showing an "extremely high" degree of genetic polymorphism between and within populations, suggesting a high degree of potential variation for selection, even in heavily selected hemp cultivars.[37] They also commented that these analyses confirm the continuity of the Cannabis gene pool throughout the studied accessions, and provide further confirmation that the genus consists of a single species, although theirs was not a systematic study per se.

An investigation of genetic, morphological, and chemotaxonomic variation among 157 Cannabis accessions of known geographic origin, including fiber, drug, and feral populations showed cannabinoid variation in Cannabis germplasm. The patterns of cannabinoid variation support recognition of C. sativa and C. indica as separate species, but not C. ruderalis. C. sativa contains fiber and seed landraces, and feral populations, derived from Europe, Central Asia, and Turkey. Narrow-leaflet and wide-leaflet drug accessions, southern and eastern Asian hemp accessions, and feral Himalayan populations were assigned to C. indica.[53] In 2005, a genetic analysis of the same set of accessions led to a three-species classification, recognizing C. sativa, C. indica, and (tentatively) C. ruderalis.[56] Another paper in the series on chemotaxonomic variation in the terpenoid content of the essential oil of Cannabis revealed that several wide-leaflet drug strains in the collection had relatively high levels of certain sesquiterpene alcohols, including guaiol and isomers of eudesmol, that set them apart from the other putative taxa.[79]

A 2020 analysis of single-nucleotide polymorphisms reports five clusters of cannabis, roughly corresponding to hemps (including folk "Ruderalis") folk "Indica" and folk "Sativa".[80]

Despite advanced analytical techniques, much of the cannabis used recreationally is inaccurately classified. One laboratory at the University of British Columbia found that Jamaican Lamb's Bread, claimed to be 100% sativa, was in fact almost 100% indica (the opposite strain).[81] Legalization of cannabis in Canada (as of 17 October 2018) may help spur private-sector research, especially in terms of diversification of strains. It should also improve classification accuracy for cannabis used recreationally. Legalization coupled with Canadian government (Health Canada) oversight of production and labelling will likely result in more—and more accurate—testing to determine exact strains and content. Furthermore, the rise of craft cannabis growers in Canada should ensure quality, experimentation/research, and diversification of strains among private-sector producers.[82]

The scientific debate regarding taxonomy has had little effect on the terminology in widespread use among cultivators and users of drug-type Cannabis. Cannabis aficionados recognize three distinct types based on such factors as morphology, native range, aroma, and subjective psychoactive characteristics. "Sativa" is the most widespread variety, which is usually tall, laxly branched, and found in warm lowland regions. "Indica" designates shorter, bushier plants adapted to cooler climates and highland environments. "Ruderalis" is the informal name for the short plants that grow wild in Europe and Central Asia.[74]

Mapping the morphological concepts to scientific names in the Small 1976 framework, "Sativa" generally refers to C. sativa subsp. indica var. indica, "Indica" generally refers to C. sativa subsp. i. kafiristanica (also known as afghanica), and "Ruderalis", being lower in THC, is the one that can fall into C. sativa subsp. sativa. The three names fit in Schultes's framework better, if one overlooks its inconsistencies with prior work.[74] Definitions of the three terms using factors other than morphology produces different, often conflicting results.

Breeders, seed companies, and cultivators of drug type Cannabis often describe the ancestry or gross phenotypic characteristics of cultivars by categorizing them as "pure indica", "mostly indica", "indica/sativa", "mostly sativa", or "pure sativa". These categories are highly arbitrary, however: one "AK-47" hybrid strain has received both "Best Sativa" and "Best Indica" awards.[74]

Phylogeny

Cannabis likely split from its closest relative, Humulus (hops), during the mid Oligocene, around 27.8 million years ago according to molecular clock estimates. The centre of origin of Cannabis is likely in the northeastern Tibetan Plateau. The pollen of Humulus and Cannabis are very similar and difficult to distinguish. The oldest pollen thought to be from Cannabis is from Ningxia, China, on the boundary between the Tibetan Plateau and the Loess Plateau, dating to the early Miocene, around 19.6 million years ago. Cannabis was widely distributed over Asia by the Late Pleistocene. The oldest known Cannabis in South Asia dates to around 32,000 years ago.[83]

Etymology

The word cannabis is from Greek κάνναβις (kánnabis) (see Latin cannabis),[84] which was originally Scythian or Thracian.[85] It is related to the Persian kanab, the English canvas and possibly the English hemp (Old English hænep).[85]

Uses

Cannabis is used for a wide variety of purposes.

History

According to genetic and archaeological evidence, cannabis was first domesticated about 12,000 years ago in East Asia during the early Neolithic period.[9] The use of cannabis as a mind-altering drug has been documented by archaeological finds in prehistoric societies in Eurasia and Africa.[86] The oldest written record of cannabis usage is the Greek historian Herodotus's reference to the central Eurasian Scythians taking cannabis steam baths.[87] His (c.440 BCE) Histories records, "The Scythians, as I said, take some of this hemp-seed [presumably, flowers], and, creeping under the felt coverings, throw it upon the red-hot stones; immediately it smokes, and gives out such a vapour as no Greek vapour-bath can exceed; the Scyths, delighted, shout for joy."[88] Classical Greeks and Romans also used cannabis.

In China, the psychoactive properties of cannabis are described in the Shennong Bencaojing (3rd century AD).[89] Cannabis smoke was inhaled by Daoists, who burned it in incense burners.[89]

In the Middle East, use spread throughout the Islamic empire to North Africa. In 1545, cannabis spread to the western hemisphere where Spaniards imported it to Chile for its use as fiber. In North America, cannabis, in the form of hemp, was grown for use in rope, cloth and paper.[90][91][92][93]

Cannabinol (CBN) was the first compound to be isolated from cannabis extract in the late 1800s. Its structure and chemical synthesis were achieved by 1940, followed by some of the first preclinical research studies to determine the effects of individual cannabis-derived compounds in vivo.[94]

Globally, in 2013, 60,400 kilograms of cannabis were produced legally.[95]

Recreational use

Comparison of physical harm and dependence regarding various drugs[96]
A dried bud, typical of what is sold for recreational use

Cannabis is a popular recreational drug around the world, only behind alcohol, caffeine, and tobacco. In the U.S. alone, it is believed that over 100 million Americans have tried cannabis, with 25 million Americans having used it within the past year.[97] As a drug it usually comes in the form of dried infructescences ("buds" or "marijuana"), resin (hashish), or various extracts collectively known as hash oil.[10] During the 20th century, it became illegal in most of the world to cultivate or possess Cannabis for sale, and even sometimes for personal use.

The psychoactive effects of cannabis are known to have a triphasic nature. Primary psychoactive effects include a state of relaxation, and to a lesser degree, euphoria from its main psychoactive compound, THC. Secondary psychoactive effects, such as a facility for philosophical thinking, introspection and metacognition have been reported among cases of anxiety and paranoia.[98] Finally, the tertiary psychoactive effects of the drug cannabis, can include an increase in heart rate and hunger, believed to be caused by 11-OH-THC, a psychoactive metabolite of THC produced in the liver.

Normal cognition is restored after approximately three hours for larger doses via a smoking pipe, bong or vaporizer.[98] However, if a large amount is taken orally the effects may last much longer. After 24 hours to a few days, minuscule psychoactive effects may be felt, depending on dosage, frequency and tolerance to the drug.

Various forms of the drug cannabis exist, including extracts such as hashish and hash oil[10] which, because of appearance, are more susceptible to adulterants when left unregulated.

Cannabidiol (CBD), which has no intoxicating effects by itself[51] (although sometimes showing a small stimulant effect, similar to caffeine),[99] is thought to attenuate (i.e., reduce)[100] the anxiety-inducing effects of high doses of THC, particularly if administered orally prior to THC exposure.[101]

According to Delphic analysis by British researchers in 2007, cannabis has a lower risk factor for dependence compared to both nicotine and alcohol.[102] However, everyday use of cannabis may be correlated with psychological withdrawal symptoms, such as irritability or insomnia,[98] and susceptibility to a panic attack may increase as levels of THC metabolites rise.[103][104] Cannabis withdrawal symptoms are typically mild and are not life-threatening.[105] Risk of adverse outcomes from cannabis use may be reduced by implementation of evidence-based education and intervention tools communicated to the public with practical regulation measures.[106]

In 2014 there were an estimated 182.5 million cannabis users worldwide (3.8% of the global population aged 15–64).[107] This percentage did not change significantly between 1998 and 2014.[107]

Medical use

Medical cannabis (or medical marijuana) refers to the use of cannabis and its constituent cannabinoids, in an effort to treat disease or improve symptoms. Cannabis is used to reduce nausea and vomiting during chemotherapy, to improve appetite in people with HIV/AIDS, and to treat chronic pain and muscle spasms.[108][109] Cannabinoids are under preliminary research for their potential to affect stroke.[110] Evidence is lacking for depression, anxiety, attention deficit hyperactivity disorder, Tourette syndrome, post-traumatic stress disorder, and psychosis.[111] Two extracts of cannabis dronabinol and nabilone are approved by the FDA as medications in pill form for treating the side effects of chemotherapy and AIDS.[112]

Short-term use increases both minor and major adverse effects.[109] Common side effects include dizziness, feeling tired, vomiting, and hallucinations.[109] Long-term effects of cannabis are not clear.[113] Concerns including memory and cognition problems, risk of addiction, schizophrenia in young people, and the risk of children taking it by accident.[108]

Industrial use (hemp)

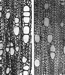
Cannabis sativa stem longitudinal section

The term hemp is used to name the durable soft fiber from the Cannabis plant stem (stalk). Cannabis sativa cultivars are used for fibers due to their long stems; Sativa varieties may grow more than six metres tall. However, hemp can refer to any industrial or foodstuff product that is not intended for use as a drug. Many countries regulate limits for psychoactive compound (THC) concentrations in products labeled as hemp.

Cannabis for industrial uses is valuable in tens of thousands of commercial products, especially as fibre[114] ranging from paper, cordage, construction material and textiles in general, to clothing. Hemp is stronger and longer-lasting than cotton. It also is a useful source of foodstuffs (hemp milk, hemp seed, hemp oil) and biofuels. Hemp has been used by many civilizations, from China to Europe (and later North America) during the last 12,000 years.[114][115] In modern times novel applications and improvements have been explored with modest commercial success.[116][117]

In the US, "industrial hemp" is classified by the federal government as cannabis containing no more than 0.3% THC by dry weight. This classification was established in the 2018 Farm Bill and was refined to include hemp-sourced extracts, cannabinoids, and derivatives in the definition of hemp.[118]

Ancient and religious uses

Cannabis leaf pictured in the coat of arms of Kanepi Parish

The Cannabis plant has a history of medicinal use dating back thousands of years across many cultures.[119] The Yanghai Tombs, a vast ancient cemetery (54 000 m2) situated in the Turfan district of the Xinjiang Uyghur Autonomous Region in northwest China, have revealed the 2700-year-old grave of a shaman. He is thought to have belonged to the Jushi culture recorded in the area centuries later in the Hanshu, Chap 96B.[120] Near the head and foot of the shaman was a large leather basket and wooden bowl filled with 789g of cannabis, superbly preserved by climatic and burial conditions. An international team demonstrated that this material contained THC. The cannabis was presumably employed by this culture as a medicinal or psychoactive agent, or an aid to divination. This is the oldest documentation of cannabis as a pharmacologically active agent.[121] The earliest evidence of cannabis smoking has been found in the 2,500-year-old tombs of Jirzankal Cemetery in the Pamir Mountains in Western China, where cannabis residue were found in burners with charred pebbles possibly used during funeral rituals.[122][123]

Settlements which date from c. 2200–1700 BCE in the Bactria and Margiana contained elaborate ritual structures with rooms containing everything needed for making drinks containing extracts from poppy (opium), hemp (cannabis), and ephedra (which contains ephedrine).[124]:262 Although there is no evidence of ephedra being used by steppe tribes, they engaged in cultic use of hemp. Cultic use ranged from Romania to the Yenisei River and had begun by 3rd millennium BC Smoking hemp has been found at Pazyryk.[124]:306

Cannabis is first referred to in Hindu Vedas between 2000 and 1400 BCE, in the Atharvaveda. By the 10th century CE, it has been suggested that it was referred to by some in India as "food of the gods".[125] Cannabis use eventually became a ritual part of the Hindu festival of Holi. One of the earliest to use this plant in medical purposes was Korakkar, one of the 18 Siddhas.[126][127] The plant is called Korakkar Mooli in the Tamil language, meaning Korakkar's herb.[128][129]

In Buddhism, cannabis is generally regarded as an intoxicant and may be a hindrance to development of meditation and clear awareness. In ancient Germanic culture, Cannabis was associated with the Norse love goddess, Freya.[130][131] An anointing oil mentioned in Exodus is, by some translators, said to contain Cannabis.[132]

In modern times, the Rastafari movement has embraced Cannabis as a sacrament.[133] Elders of the Ethiopian Zion Coptic Church, a religious movement founded in the U.S. in 1975 with no ties to either Ethiopia or the Coptic Church, consider Cannabis to be the Eucharist, claiming it as an oral tradition from Ethiopia dating back to the time of Christ.[134] Like the Rastafari, some modern Gnostic Christian sects have asserted that Cannabis is the Tree of Life.[135][136] Other organized religions founded in the 20th century that treat Cannabis as a sacrament are the THC Ministry,[137] Cantheism,[138] the Cannabis Assembly[139] and the Church of Cognizance.

Since the 13th century CE, cannabis has been used among Sufis[140][141] – the mystical interpretation of Islam that exerts strong influence over local Muslim practices in Bangladesh, India, Indonesia, Turkey, and Pakistan. Cannabis preparations are frequently used at Sufi festivals in those countries.[140] Pakistan's Shrine of Lal Shahbaz Qalandar in Sindh province is particularly renowned for the widespread use of cannabis at the shrine's celebrations, especially its annual Urs festival and Thursday evening dhamaal sessions – or meditative dancing sessions.[142][143]

See also

References

  1. 1 2 Guy GW, Whittle BA, Robson P (2004). The Medicinal Uses of Cannabis and Cannabinoids. Pharmaceutical Press. pp. 74–. ISBN 978-0-85369-517-2.
  2. Dictionary of Medical Terms. Bloomsbury Publishing. 2010. p. 139. ISBN 978-1-4081-3635-5. Archived from the original on 5 August 2020. Retrieved 28 June 2020.
  3. "Classification Report". United States Department of Agriculture. Archived from the original on 6 December 2018. Retrieved 13 February 2017.
  4. "Indica, Sativa, Ruderalis – Did We Get It All Wrong?". The Leaf Online. 26 January 2015. Archived from the original on 14 February 2017. Retrieved 13 February 2017.
  5. "Species of Cannabis". GRIN Taxonomy. Archived from the original on 13 February 2017. Retrieved 13 February 2017.
  6. "Cannabis sativa L." Plants of the World Online. Royal Botanic Gardens, Kew. Archived from the original on 19 January 2019. Retrieved 17 January 2019.
  7. ElSohly MA (2007). Marijuana and the Cannabinoids. Humana Press. p. 8. ISBN 978-1-58829-456-2. Archived from the original on 22 July 2011. Retrieved 2 May 2011.
  8. Lambert DM (2009). Cannabinoids in Nature and Medicine. Wiley-VCH. p. 20. ISBN 978-3-906390-56-7. Archived from the original on 18 August 2021. Retrieved 21 August 2018.
  9. 1 2 Ren G, Zhang X, Li Y, Ridout K, Serrano-Serrano ML, Yang Y, et al. (July 2021). "Large-scale whole-genome resequencing unravels the domestication history of Cannabis sativa". Science Advances. 7 (29): eabg2286. Bibcode:2021SciA....7.2286R. doi:10.1126/sciadv.abg2286. PMC 8284894. PMID 34272249.
  10. 1 2 3 Erowid. 2006. Cannabis Basics. Archived 23 April 2007 at the Wayback Machine. Retrieved on 25 February 2007.
  11. "Leaf Terminology (Part 1)". Waynesword.palomar.edu. Archived from the original on 9 September 2015. Retrieved 17 February 2011.
  12. Watt JM, Breyer-Brandwijk MG (1962). The Medicinal and Poisonous Plants of Southern and Eastern Africa (2nd ed.). E & S Livingstone.
  13. 1 2 3 Clarke RC (1981). Marijuana Botany : an advanced study, the propagation and breeding of distinctive Cannabis. Berkeley, California: Ronin PuPublishing. ISBN 978-0-914171-78-2.
  14. Small E (1975). "Morphological variation of achenes of Cannabis". Canadian Journal of Botany. 53 (10): 978–87. doi:10.1139/b75-117.
  15. 1 2 3 4 5 Ainsworth C (2000). "Boys and Girls Come Out to Play: The Molecular Biology of Dioecious Plants". Annals of Botany. 86 (2): 211–221. doi:10.1006/anbo.2000.1201.
  16. Lebel-Hardenack S, Grant SR (1997). "Genetics of sex determination in flowering plants". Trends in Plant Science. 2 (4): 130–6. doi:10.1016/S1360-1385(97)01012-1.
  17. Hui-Lin L (1973). "The Origin and Use of Cannabis in Eastern Asia: Linguistic-Cultural Implications". Economic Botany. 28 (3): 293–301 (294).
  18. 13/99 and 13/133. In addition, 13/98 defined fen 蕡 "Cannabis inflorescence" and 13/159 bo 薜 "wild Cannabis".
  19. Bouquet, R. J. 1950. Cannabis. United Nations Office on Drugs and Crime. Retrieved on 23 February 2007
  20. de Meijer EP (1999). "Cannabis germplasm resources.". In Ranalli P (ed.). Advances in Hemp Research. Binghamton, NY: Haworth Press. pp. 131–151. ISBN 978-1-56022-872-1.
  21. Moliterni VC, Cattivelli L, Ranalli P, Mandolino G (2004). "The sexual differentiation of Cannabis sativa L.: A morphological and molecular study". Euphytica. 140 (1–2): 95–106. doi:10.1007/s10681-004-4758-7. S2CID 11835610.
  22. 1 2 Mignoni G (1 December 1999). "Cannabis as a licit crop: recent developments in Europe". Global Hemp. Archived from the original on 13 March 2003. Retrieved 10 February 2008.
  23. Schumann E, Peil A, Weber WE (1999). "Preliminary results of a German field trial with different hemp (Cannabis sativa L.) accessions". Genetic Resources and Crop Evolution. 46 (4): 399–407. doi:10.1023/A:1008696018533. S2CID 34246180.
  24. Ranalli P (2004). "Current status and future scenarios of hemp breeding". Euphytica. 140 (1–2): 121–131. doi:10.1007/s10681-004-4760-0. S2CID 26214647.
  25. 1 2 3 Mandolino G, Ranalli P (2002). "The Applications of Molecular Markers in Genetics and Breeding of Hemp". Journal of Industrial Hemp. 7: 7–23. doi:10.1300/J237v07n01_03. S2CID 84960806.
  26. 1 2 Hirata K (1924). "Sex reversal in hemp". Journal of the Society of Agriculture and Forestry. 16: 145–168.
  27. 1 2 3 Schaffner JH (1931). "The Fluctuation Curve of Sex Reversal in Staminate Hemp Plants Induced by Photoperiodicity". American Journal of Botany. 18 (6): 424–30. doi:10.2307/2435878. JSTOR 2435878.
  28. 1 2 Truţa E, Gille E, Tóth E, Maniu M (2002). "Biochemical differences in Cannabis sativa L. depending on sexual phenotype". Journal of Applied Genetics. 43 (4): 451–62. PMID 12441630.
  29. Bridges CB (1925). "Sex in Relation to Chromosomes and Genes". The American Naturalist. 59 (661): 127–37. doi:10.1086/280023. JSTOR 2456354. S2CID 84528876.
  30. Schaffner JH (1929). "Heredity and sex". Ohio Journal of Science. 29 (1): 289–300. hdl:1811/2398.
  31. Negrutiu I, Vyskot B, Barbacar N, Georgiev S, Moneger F (December 2001). "Dioecious plants. A key to the early events of sex chromosome evolution". Plant Physiology. 127 (4): 1418–24. doi:10.1104/pp.010711. PMC 1540173. PMID 11743084.
  32. Menzel MY (1964). "Meiotic Chromosomes of Monoecious Kentucky Hemp (Cannabis sativa)". Bulletin of the Torrey Botanical Club. 91 (3): 193–205. doi:10.2307/2483524. JSTOR 2483524.
  33. Hong S, Clarke RC (1996). "Taxonomic studies of Cannabis in China". Journal of the International Hemp Association. 3 (2): 55–60. Archived from the original on 9 August 2012. Retrieved 7 September 2006.
  34. Peil A, Flachowsky H, Schumann E, Weber WE (June 2003). "Sex-linked AFLP markers indicate a pseudoautosomal region in hemp ( Cannabis sativa L.)". Theoretical and Applied Genetics. 107 (1): 102–9. doi:10.1007/s00122-003-1212-5. PMID 12835935. S2CID 11453369.
  35. Sakamoto K, Shimomura K, Komeda Y, Kamada H, Satoh S (December 1995). "A male-associated DNA sequence in a dioecious plant, Cannabis sativa L". Plant & Cell Physiology. 36 (8): 1549–54. PMID 8589931.
  36. Sakamoto K, Abe T, Matsuyama T, Yoshida S, Ohmido N, Fukui K, Satoh S (October 2005). "RAPD markers encoding retrotransposable elements are linked to the male sex in Cannabis sativa L". Genome. 48 (5): 931–6. doi:10.1139/g05-056. PMID 16391699. S2CID 40436657.
  37. 1 2 3 de Meijer EP, Bagatta M, Carboni A, Crucitti P, Moliterni VM, Ranalli P, Mandolino G (January 2003). "The inheritance of chemical phenotype in Cannabis sativa L". Genetics. 163 (1): 335–46. doi:10.1093/genetics/163.1.335. PMC 1462421. PMID 12586720.
  38. Törjék O, Bucherna N, Kiss E, Homoki H, Finta-Korpelová Z, Bócsa I, Nagy I, Heszky LE (2002). "Novel male-specific molecular markers (MADC5, MADC6) in hemp". Euphytica. 127 (2): 209–218. doi:10.1023/A:1020204729122. S2CID 27065456.
  39. Tanurdzic M, Banks JA (2004). "Sex-determining mechanisms in land plants". The Plant Cell. 16 (Suppl): S61-71. doi:10.1105/tpc.016667. PMC 2643385. PMID 15084718.
  40. Mohan Ram HY, Sett R (December 1982). "Induction of fertile male flowers in genetically female Cannabis sativa plants by silver nitrate and silver thiosulphate anionic complex". Theoretical and Applied Genetics. 62 (4): 369–75. doi:10.1007/BF00275107. PMID 24270659. S2CID 12256760.
  41. Shao H, Song SJ, Clarke RC (2003). "Female-Associated DNA Polymorphisms of Hemp (Cannabis sativaL.)". Journal of Industrial Hemp. 8 (1): 5–9. doi:10.1300/J237v08n01_02. S2CID 84460585.
  42. Mahlberg PG, Eun SK (2001). "THC (tetrahyrdocannabinol) accumulation in glands of Cannabis (Cannabaceae)". The Hemp Report. 3 (17). Archived from the original on 29 October 2006. Retrieved 23 November 2006.
  43. 1 2 Small E (1972). "Interfertility and chromosomal uniformity in Cannabis". Canadian Journal of Botany. 50 (9): 1947–9. doi:10.1139/b72-248.
  44. van Bakel H, Stout JM, Cote AG, Tallon CM, Sharpe AG, Hughes TR, Page JE (October 2011). "The draft genome and transcriptome of Cannabis sativa". Genome Biology. 12 (10): R102. doi:10.1186/gb-2011-12-10-r102. PMC 3359589. PMID 22014239.
  45. Schultes RE, Hofmann A, Rätsch C (2001). "The nectar of delight.". Plants of the Gods (2nd ed.). Rochester, Vermont: Healing Arts Press. pp. 92–101. ISBN 978-0-89281-979-9.
  46. Song BH, Wang XQ, Li FZ, Hong DY (2001). "Further evidence for paraphyly of the Celtidaceae from the chloroplast gene mat K". Plant Systematics and Evolution. 228 (1–2): 107–15. Bibcode:2001PSyEv.228..107S. doi:10.1007/s006060170041. S2CID 45337406.
  47. Sytsma KJ, Morawetz J, Pires JC, Nepokroeff M, Conti E, Zjhra M, et al. (September 2002). "Urticalean rosids: circumscription, rosid ancestry, and phylogenetics based on rbcL, trnL-F, and ndhF sequences". American Journal of Botany. 89 (9): 1531–46. doi:10.3732/ajb.89.9.1531. PMID 21665755. S2CID 207690258.
  48. 1 2 3 Small E (1975). "American law and the species problem in Cannabis: science and semantics". Bulletin on Narcotics. 27 (3): 1–20. PMID 1041693.
  49. "What chemicals are in marijuana and its byproducts?". ProCon.org. 2009. Archived from the original on 20 January 2013. Retrieved 13 January 2013.
  50. El-Alfy AT, Ivey K, Robinson K, Ahmed S, Radwan M, Slade D, et al. (June 2010). "Antidepressant-like effect of delta9-tetrahydrocannabinol and other cannabinoids isolated from Cannabis sativa L". Pharmacology, Biochemistry, and Behavior. 95 (4): 434–42. doi:10.1016/j.pbb.2010.03.004. PMC 2866040. PMID 20332000.
  51. 1 2 Ahrens J, Demir R, Leuwer M, de la Roche J, Krampfl K, Foadi N, et al. (2009). "The nonpsychotropic cannabinoid cannabidiol modulates and directly activates alpha-1 and alpha-1-Beta glycine receptor function". Pharmacology. 83 (4): 217–22. doi:10.1159/000201556. PMID 19204413. S2CID 13508856. Archived from the original on 18 May 2019. Retrieved 18 May 2019.
  52. 1 2 3 Small E, Beckstead HD (June 1973). "Common cannabinoid phenotypes in 350 stocks of Cannabis". Lloydia. 36 (2): 144–65. PMID 4744553.
  53. 1 2 3 Hillig KW, Mahlberg PG (June 2004). "A chemotaxonomic analysis of cannabinoid variation in Cannabis (Cannabaceae)". American Journal of Botany. 91 (6): 966–75. doi:10.3732/ajb.91.6.966. PMID 21653452. S2CID 32469533.
  54. Small E (1979). "Fundamental aspects of the species problem in biology.". The Species Problem in Cannabis. Vol. 1. Toronto, Canada: Science. Corpus Information Services. pp. 5–63. ISBN 978-0-919217-11-9.
  55. 1 2 Rieger R, Michaelis A, Green MM (1991). Glossary of Genetics (5th ed.). Springer-Verlag. pp. 458–459. ISBN 978-0-387-52054-4.
  56. 1 2 Hillig KW (2005). "Genetic evidence for speciation in Cannabis (Cannabaceae)". Genetic Resources and Crop Evolution. 52 (2): 161–80. doi:10.1007/s10722-003-4452-y. S2CID 24866870.
  57. 1 2 Small E (1975). "On toadstool soup and legal species of marihuana". Plant Science Bulletin. 21 (3): 34–9. Archived from the original on 27 September 2006. Retrieved 28 September 2006.
  58. 1 2 Emboden WA (1981). "The genus Cannabis and the correct use of taxonomic categories". Journal of Psychoactive Drugs. 13 (1): 15–21. doi:10.1080/02791072.1981.10471446. PMID 7024491.
  59. Schultes RE, Hofmann A (1980). Botany and Chemistry of Hallucinogens. Springfield, Illinois: C. C. Thomas. pp. 82–116. ISBN 978-0-398-03863-2.
  60. Linnaeus C (1957–1959) [1753]. Species Plantarum. Vol. 2 (Facsimile ed.). Ray SocietyLondon, U.K. (originally Salvius, Stockholm). p. 1027.
  61. de Lamarck JB (1785). Encyclopédie Méthodique de Botanique. Vol. 1. Paris, France. pp. 694–695.
  62. 1 2 3 4 Small E, Cronquist A (1976). "A Practical and Natural Taxonomy for Cannabis". Taxon. 25 (4): 405–35. doi:10.2307/1220524. JSTOR 1220524.
  63. Winek CL (1977). "Some historical aspects of marijuana". Clinical Toxicology. 10 (2): 243–53. doi:10.3109/15563657708987969. PMID 322936.
  64. Serebriakova TY, Sizov IA (1940). "Cannabinaceae Lindl.". In Vavilov NI (ed.). Kulturnaya Flora SSSR (in Russian). Vol. 5. Moscow-Leningrad, USSR. pp. 1–53.{{cite book}}: CS1 maint: location missing publisher (link)
  65. Watts G (January 2006). "Cannabis confusions". BMJ. 332 (7534): 175–6. doi:10.1136/bmj.332.7534.175. PMC 1336775. PMID 16424501.
  66. Ernest Small (biography) Archived 11 February 2007 at the Wayback Machine. National Research Council Canada. Retrieved on 23 February 2007
  67. Small E, Jui PY, Lefkovitch LP (1976). "A Numerical Taxonomic Analysis of Cannabis with Special Reference to Species Delimitation". Systematic Botany. 1 (1): 67–84. doi:10.2307/2418840. JSTOR 2418840.
  68. Schultes RE, Klein WM, Plowman T, Lockwood TE (1974). "Cannabis: an example of taxonomic neglect". Harvard University Botanical Museum Leaflets. 23 (9): 337–367. doi:10.5962/p.168565.
  69. Anderson, L. C. Archived 8 March 2009 at the Wayback Machine 1974. A study of systematic wood anatomy in Cannabis. Harvard University Botanical Museum Leaflets 24: 29–36. Retrieved on 23 February 2007
  70. Anderson, L. C. Archived 8 March 2009 at the Wayback Machine 1980. Leaf variation among Cannabis species from a controlled garden. Harvard University Botanical Museum Leaflets 28: 61–69. Retrieved on 23 February 2007
  71. Emboden WA (1974). "Cannabis — a polytypic genus". Economic Botany. 28 (3): 304–310. doi:10.1007/BF02861427. S2CID 35358047.
  72. Schultes RE (1970). "Random thoughts and queries on the botany of Cannabis". In Joyce CR, Curry SH (eds.). The Botany and Chemistry of Cannabis. London: J. & A. Churchill. pp. 11–38.
  73. Interview with Robert Connell Clarke. 1 January 2005. NORML, New Zealand. Retrieved on 19 February 2007
  74. 1 2 3 4 McPartland JM (2018). "Cannabis Systematics at the Levels of Family, Genus, and Species". Cannabis and Cannabinoid Research. 3 (1): 203–212. doi:10.1089/can.2018.0039. PMC 6225593. PMID 30426073.
  75. Mandolino G, Carboni A, Forapani S, Faeti V, Ranalli P (1999). "Identification of DNA markers linked to the male sex in dioecious hemp (Cannabis sativa L.)". Theoretical and Applied Genetics. 98: 86–92. doi:10.1007/s001220051043. S2CID 26011527.
  76. Forapani S, Carboni A, Paoletti C, Moliterni VM, Ranalli P, Mandolino G (2001). "Comparison of Hemp Varieties Using Random Amplified Polymorphic DNA Markers" (PDF). Crop Science. 41 (6): 1682. doi:10.2135/cropsci2001.1682. S2CID 29448044. Archived (PDF) from the original on 11 March 2022.
  77. Gilmore S, Peakall R, Robertson J (January 2003). "Short tandem repeat (STR) DNA markers are hypervariable and informative in Cannabis sativa: implications for forensic investigations". Forensic Science International. 131 (1): 65–74. doi:10.1016/S0379-0738(02)00397-3. PMID 12505473.
  78. Kojoma M, Iida O, Makino Y, Sekita S, Satake M (January 2002). "DNA fingerprinting of Cannabis sativa using inter-simple sequence repeat (ISSR) amplification". Planta Medica. 68 (1): 60–3. doi:10.1055/s-2002-19875. PMID 11842329. S2CID 260280872.
  79. Hillig KW (2004). "A chemotaxonomic analysis of terpenoid variation in Cannabis". Biochemical Systematics and Ecology. 32 (10): 875–891. doi:10.1016/j.bse.2004.04.004.
  80. Henry P, Khatodia S, Kapoor K, Gonzales B, Middleton A, Hong K, et al. (September 2020). "A single nucleotide polymorphism assay sheds light on the extent and distribution of genetic diversity, population structure and functional basis of key traits in cultivated north American cannabis". Journal of Cannabis Research. 2 (1): 26. doi:10.1186/s42238-020-00036-y. PMC 7819309. PMID 33526123.
  81. Ormiston S (17 January 2018). "What's in your weed: Why cannabis strains don't all live up to their billing". CBC. Archived from the original on 1 October 2018. Retrieved 2 October 2018. (Paper is PMID 26308334.)
  82. "Will Craft Cannabis Growers in Canada Succeed Like Craft Brewers?". Licensed Producers Canada. Archived from the original on 8 May 2019. Retrieved 2 October 2018.
  83. McPartland JM, Hegman W, Long T (14 May 2019). "Cannabis in Asia: its center of origin and early cultivation, based on a synthesis of subfossil pollen and archaeobotanical studies". Vegetation History and Archaeobotany. 28 (6): 691–702. Bibcode:2019VegHA..28..691M. doi:10.1007/s00334-019-00731-8. ISSN 0939-6314. S2CID 181608199. Archived from the original on 11 March 2022. Retrieved 19 July 2021.
  84. "cannabis" OED Online. July 2009. Oxford University Press. 2009.
  85. 1 2 "Online Etymology Dictionary". Etymonline.com. Archived from the original on 20 November 2004. Retrieved 17 February 2011.
  86. Abel E (1980). Marijuana, The First 12,000 years. New York: Plenum Press.
  87. Butrica JL (June 2002). "The Medical Use of Cannabis Among the Greeks and Romans". Journal of Cannabis Therapeutics. 2 (2): 51–70. doi:10.1300/j175v02n02_04.
  88. Herodotus (1994–2009). "The History of Herodotus". The Internet Classics Archive. Translated by Rawlinson G. Daniel C. Stevenson, Web Atomics. Archived from the original on 29 June 2011. Retrieved 13 August 2014.
  89. 1 2 Prance G, Nesbitt M, Rudgley R, eds. (2005). The Cultural History of Plants. Routledge. p. 198. ISBN 978-0-415-92746-8.
  90. "Cannabis: History". deamuseum.org. Archived from the original on 17 April 2014. Retrieved 8 June 2014.
  91. Conrad C (1994). Hemp : lifeline to the future : the unexpected answer for our environmental and economic recovery (2nd ed.). Los Angeles, California: Creative Xpressions Publications. ISBN 978-0-9639754-1-6.
  92. Herer J (1992). Hemp & the marijuana conspiracy : the emperor wears no clothes (New, rev. and updated for 1992 ed.). Van Nuys, CA: Hemp Pub. ISBN 1-878125-00-1.
  93. Stafford PG (1992). Psychedelics Encyclopedia (3rd expanded ed.). Berkeley, CA: Ronin Publications. ISBN 978-0-914171-51-5.
  94. Pertwee, Roger G (2006). "Cannabinoid pharmacology: the first 66 years: Cannabinoid pharmacology". British Journal of Pharmacology. 147 (S1): S163–S171. doi:10.1038/sj.bjp.0706406. PMC 1760722. PMID 16402100.
  95. Narcotic Drugs 2014 (PDF). International Narcotics Control Board. 2015. p. 21. ISBN 9789210481571. Archived (PDF) from the original on 2 June 2015. Retrieved 2 June 2015.
  96. "Drug Toxicity". Web.cgu.edu. Archived from the original on 25 March 2008. Retrieved 17 February 2011.
  97. "Introduction". NORML. Archived from the original on 11 February 2010. Retrieved 17 February 2011.
  98. 1 2 3 Cannabis. "Erowid Cannabis (Marijuana) Vault : Effects". Erowid.org. Archived from the original on 19 August 2016. Retrieved 17 February 2011.
  99. Block RI, Erwin WJ, Farinpour R, Braverman K (February 1998). "Sedative, stimulant, and other subjective effects of marijuana: relationships to smoking techniques". Pharmacology, Biochemistry, and Behavior. 59 (2): 405–412. doi:10.1016/S0091-3057(97)00453-X. PMID 9476988. S2CID 29421694.
  100. Zuardi AW, Shirakawa I, Finkelfarb E, Karniol IG (1982). "Action of cannabidiol on the anxiety and other effects produced by delta 9-THC in normal subjects". Psychopharmacology. 76 (3): 245–250. doi:10.1007/BF00432554. PMID 6285406. S2CID 4842545.
  101. Fusar-Poli P, Crippa JA, Bhattacharyya S, Borgwardt SJ, Allen P, Martin-Santos R, et al. (January 2009). "Distinct effects of {delta}9-tetrahydrocannabinol and cannabidiol on neural activation during emotional processing". Archives of General Psychiatry. 66 (1): 95–105. doi:10.1001/archgenpsychiatry.2008.519. PMID 19124693.
  102. Nutt D, King LA, Saulsbury W, Blakemore C (March 2007). "Development of a rational scale to assess the harm of drugs of potential misuse". Lancet. 369 (9566): 1047–53. doi:10.1016/S0140-6736(07)60464-4. PMID 17382831. S2CID 5903121.
  103. "Marijuana Detection Times Influenced By Stress, Dieting". NORML. Archived from the original on 11 February 2011. Retrieved 17 February 2011.
  104. "Cannabis use and panic disorder". Cannabis.net. Archived from the original on 20 May 2011. Retrieved 17 February 2011.
  105. "Myths and Facts About Marijuana". Drugpolicy.org. Archived from the original on 16 February 2011. Retrieved 17 February 2011.
  106. Fischer B, Russell C, Sabioni P, van den Brink W, Le Foll B, Hall W, et al. (August 2017). "Lower-Risk Cannabis Use Guidelines: A Comprehensive Update of Evidence and Recommendations". American Journal of Public Health. 107 (8): e1–e12. doi:10.2105/AJPH.2017.303818. PMC 5508136. PMID 28644037.
  107. 1 2 United Nations Office on Drugs and Crime (May 2016). "Statistical tables" (PDF). World Drug Report 2016. Vienna, Austria. p. xiv, 43. ISBN 978-92-1-057862-2. Archived (PDF) from the original on 9 August 2016. Retrieved 1 August 2016.{{cite book}}: CS1 maint: location missing publisher (link)
  108. 1 2 Borgelt LM, Franson KL, Nussbaum AM, Wang GS (February 2013). "The pharmacologic and clinical effects of medical cannabis". Pharmacotherapy (Review). 33 (2): 195–209. CiteSeerX 10.1.1.1017.1935. doi:10.1002/phar.1187. PMID 23386598. S2CID 8503107.
  109. 1 2 3 Whiting PF, Wolff RF, Deshpande S, Di Nisio M, Duffy S, Hernandez AV, et al. (23 June 2015). "Cannabinoids for Medical Use: A Systematic Review and Meta-analysis" (PDF). JAMA. 313 (24): 2456–2473. doi:10.1001/jama.2015.6358. hdl:10757/558499. PMID 26103030. Archived (PDF) from the original on 21 September 2017. Retrieved 20 April 2018.
  110. England TJ, Hind WH, Rasid NA, O'Sullivan SE (March 2015). "Cannabinoids in experimental stroke: a systematic review and meta-analysis". Journal of Cerebral Blood Flow and Metabolism. 35 (3): 348–358. doi:10.1038/jcbfm.2014.218. PMC 4348386. PMID 25492113.
  111. Black N, Stockings E, Campbell G, Tran LT, Zagic D, Hall WD, et al. (December 2019). "Cannabinoids for the treatment of mental disorders and symptoms of mental disorders: a systematic review and meta-analysis". The Lancet. Psychiatry. 6 (12): 995–1010. doi:10.1016/S2215-0366(19)30401-8. PMC 6949116. PMID 31672337.
  112. "Is marijuana safe and effective as medicine?". US National Institute on Drug Abuse. 1 July 2020. Archived from the original on 21 December 2020. Retrieved 6 November 2020.
  113. Wang T, Collet JP, Shapiro S, Ware MA (June 2008). "Adverse effects of medical cannabinoids: a systematic review". CMAJ. 178 (13): 1669–78. doi:10.1503/cmaj.071178. PMC 2413308. PMID 18559804.
  114. 1 2 "Hemp Facts". Naihc.org. Archived from the original on 27 November 2012. Retrieved 17 February 2011.
  115. "The cultivation and use of hemp in ancient China". Hempfood.com. Archived from the original on 29 January 2013. Retrieved 17 February 2011.
  116. Van Roekel GJ (1994). "Hemp Pulp and Paper Production". Journal of the International Hemp Association. Archived from the original on 21 October 2011. Retrieved 10 November 2011.
  117. Atkinson G (2011). "Industrial Hemp Production in Alberta". CA: Government of Alberta, Agriculture and Rural Development. Archived from the original on 4 November 2011. Retrieved 10 November 2011.
  118. "7 U.S. Code § 5940 – Legitimacy of industrial hemp research". LII / Legal Information Institute. Archived from the original on 22 December 2020. Retrieved 27 November 2018.
  119. Ben Amar M (April 2006). "Cannabinoids in medicine: A review of their therapeutic potential" (PDF). Journal of Ethnopharmacology (Review). 105 (1–2): 1–25. CiteSeerX 10.1.1.180.308. doi:10.1016/j.jep.2006.02.001. PMID 16540272. Archived from the original (PDF) on 24 May 2010.
    • Hulsewé AF (1979). China in Central Asia: The Early Stage 125 BC – AD 23: an annotated translation of chapters 61 and 96 of the History of the Former Han Dynasty. Leiden: E. J. Brill. p. 183. ISBN 978-90-04-05884-2.
  120. Russo EB, Jiang HE, Li X, Sutton A, Carboni A, del Bianco F, et al. (2008). "Phytochemical and genetic analyses of ancient cannabis from Central Asia". Journal of Experimental Botany. 59 (15): 4171–82. doi:10.1093/jxb/ern260. PMC 2639026. PMID 19036842.
  121. Ren M, Tang Z, Wu X, Spengler R, Jiang H, Yang Y, Boivin N (June 2019). "The origins of cannabis smoking: Chemical residue evidence from the first millennium BCE in the Pamirs". Science Advances. 5 (6): eaaw1391. Bibcode:2019SciA....5.1391R. doi:10.1126/sciadv.aaw1391. PMC 6561734. PMID 31206023.
  122. Donahue MZ (14 June 2019). "Earliest evidence for cannabis smoking discovered in ancient tombs". National Geographic. Archived from the original on 20 June 2019. Retrieved 20 June 2019.
  123. 1 2 Mallory JP, Mair VH (2000). The Tarim Mummies: Ancient China and the Mystery of the Earliest Peoples from the West. London: Thames & Hudson. ISBN 978-0-500-05101-6.
  124. Abel EL (1980). "Marijuana – The First Twelve Thousand Years". Archived from the original on 28 June 2021. Retrieved 30 June 2009. Chapter 1: Cannabis in the Ancient World. India: The First Marijuana-Oriented Culture.
  125. Murdoch J (1 January 1865). Classified Catalogue of Tamil Printed Books: With Introductory Notices. Christian vernacular education society. Archived from the original on 11 March 2022. Retrieved 6 October 2020.
  126. Jayaprasad V (5 July 2012). Parkinson's Disease Dravidian Cure Chintarmony System. Lulu.com. ISBN 978-1-105-91788-2. Archived from the original on 11 March 2022. Retrieved 6 October 2020.
  127. Karthigayan P (1 August 2016). History of Medical and Spiritual Sciences of Siddhas of Tamil Nadu. Notion Press. ISBN 9789352065523. Archived from the original on 11 March 2022. Retrieved 6 October 2020.
  128. Pillai MS (1 January 1904). A Primer of Tamil Literature. Ananda Press. Archived from the original on 11 March 2022. Retrieved 25 August 2017.
  129. Pilcher T (2005). Spliffs 3: The Last Word in Cannabis Culture?. Collins & Brown Publishers. p. 34. ISBN 978-1-84340-310-4.
  130. Vindheim JB. "The History of Hemp in Norway". The Journal of Industrial Hemp. International Hemp Association. Archived from the original on 26 March 2009. Retrieved 30 June 2009.
  131. Kaplan A (1981). The Living Torah. New York. p. 442. ISBN 978-0-940118-35-5.{{cite book}}: CS1 maint: location missing publisher (link)
  132. Owens J (1982). Dread, The Rastafarians of Jamaica. London: Heinemann. ISBN 978-0-435-98650-6.
  133. The Ethiopian Zion Coptic Church. "Marijuana and the Bible". Schaffer Library of Drug Policy. Archived from the original on 27 September 2007. Retrieved 13 September 2007.
  134. "Zion Light Ministry". Archived from the original on 27 October 2014. Retrieved 20 August 2007.
  135. Bennett LC, Osburn JO (1938). Green Gold: the Tree of LifeMarijuana in Magic & Religion. Access Unlimited. p. 418. ISBN 978-0-9629872-2-9.
  136. "The Hawai'i Cannabis Ministry". Archived from the original on 28 September 2007. Retrieved 13 September 2007.
  137. "Cantheism". Archived from the original on 27 September 2007. Retrieved 13 September 2007.
  138. "Cannabis Assembly". Archived from the original on 27 September 2007. Retrieved 13 September 2007.
  139. 1 2 Ferrara MS (20 October 2016). Sacred Bliss: A Spiritual History of Cannabis. Rowman & Littlefield. ISBN 978-1-4422-7192-0.
  140. Ernest A (1979). A Comprehensive Guide to Cannabis Literature. Greenwood Press. p. 14. ISBN 978-0-313-20721-1.
  141. Chapple A (17 February 2017). "Music, Dancing, And Tolerance -- Pakistan's Embattled Sufi Minority". RFERL. Archived from the original on 9 April 2017. Retrieved 8 April 2017. During the festival the air is heavy with drumbeats, chanting and cannabis smoke.
  142. Osella F, Osella C (2013). Islamic Reform in South Asia. Cambridge University Press. pp. 65, 509. ISBN 978-1-107-03175-3.

Further reading

This article is issued from Wikipedia. The text is licensed under Creative Commons - Attribution - Sharealike. Additional terms may apply for the media files.